2012年の音楽生活中期2



新開発したSITヘッドホンアンプ
MINMAX社のDCDCコンバーターを用いている。

| 入力電圧 | 出力電圧 | 出力電流 | ||
| Cosel | SUW1R 5012 | 4.5〜9V | ±12V | 65mA |
| MINMAX | MCW03-05D15 | 4.5〜9V | ±15V | 100mA |
| MINMAX | MAU108 | 4.5〜5.5V | ±12V | 34mA |
端正で繊細なSITの音がして安心した。
引き続きK79SEPPminiを製作。


MAU108を定格外で使っていることになるがいまのところ使えている。近いうちに
MCW03-05D15に乗せ変えよう。
だがこれは神機。

MCW03-05D15にした場合のレイアウト。

006P電池は入らない。
バラも咲いた。

4580電流伝送アンプ
この回路はシュールな感じがする。入力インピーダンスが低いので送りだしが電流出力でなければ
ならない。


何のアンプ?というくらい変った音がする。中低域に厚みがあり、高域は華やかで爽やか。
何が起こっているのだろう。
Vishay Si6544DQでBUF634とピンコンパチのバッファを作る。

HA−4に搭載

線は細いが驚くほど透明な音がする。車でいうと4気筒エンジンを直列6気筒エンジンに換装した
ような感じ?いやそうではなく音のふるまいも変わるので足周りまで全部変っている感じがする。
とうとうK79SEPPに匹敵するアンプができたようだ。SITが新開発されない限り無理だろうと思っていたが
何が起こるかわからない。

このようにレイアウトした。勿論BUF634のところにはハイブリッドモジュールが入る。0.22Fの電気二重層
コンデンサー使用。この終段素子はgmで換算するとC1815、A1015の250パラに相当する。


Vishay mini


これも神機。
チップトランジスタでディスクリートのダイヤモンドバッファを作る。




参考


| 単価 | 数量 | 小計 | |
| 丸ピンIC連結ソケット | 36 | 1 | 36 |
| 16ホールユニバーサル基板 | 10 | 2 | 20 |
| C2721/A1162 | 5 | 2 | 10 |
| C3325/A1313 | 10 | 2 | 20 |
| 抵抗 | 1 | 4 | 4 |
| 計 | 90 |
材料費は90円だった。
筑摩世界文学体系 1 オリエント集
シュメール粘土板文書より 人間の創造
「天地の諸プランが確定され、掘割と運河とを整然と秩序つけるために、
チグリス川とユーフラテス川との堤防が作られたからには、
そなたたちはさらにいったい何を変革するのか。」
文明とは何かがもう書いてある。
知的集団が変革を成し遂げ、桁違いの生産と物流を実現した。放牧と天水農業でだらだら
やっているのとは訳が違うのだ。
やがてその富に目をつけられ盗賊集団に滅ぼされるというのも古今不変の原理だ。
ゴールデンウィークにモンゴル旅行などできない私は、羊の肉を通販で買って家で食べてみた
(オーストラリア産)。
モンゴル流の塩ゆでである。作ったものが少し残っているので写真で紹介する。

羊の油に臭みがあるので茹でるのはいい方法だ。これに塩胡椒を振りかけて食べると
美味とまでは行かないがちゃんとした肉の味がした。
これでチンギスハーンが肉をナイフで切りながらマハと言って食べたときとか、戸井十月が羊の肉を
出されたとき食べながら臭いと呟いたときの映像を見てもだいたい想像がつくようになった。
いよいよオペアンプを作ってみる。長い間構想だけだったが今回やっとできそうだ。

いろいろなパワー段に対応するためout+、out-に分けている。耐圧がわりと高いのでパワーアンプにも使える。
| 単価 | 数量 | 小計 | |
| 丸ピンIC連結ソケット | 36 | 1 | 36 |
| 16ホールユニバーサル基板 | 10 | 4 | 40 |
| C2721/A1162 | 5 | 6 | 30 |
| 抵抗 | 1 | 5 | 5 |
| 半固定抵抗 | 50 | 1 | 50 |
| 定電流ダイオード | 50 | 1 | 50 |
| 積層セラミックC | 10 | 2 | 20 |
材料費は意外と安く231円だった。
動作したのでμA741と換装し聴いてみる。


ものすごい低歪率。チップトランジスタのhFEを二桁まで揃えたのが大きいか。
トラ技のヘッドホンアンプ

HA−3のケースに収まった。リチウムイオン電池が4本はいるので大丈夫だろう。
歪率測定は来週くらいにはできるかも。

音は刺激感が無く、細部と余韻がきれいで情報量が多い。ハイエンドアンプも真っ青になる一品。
夏目漱石 明暗
この小説は長いのでなかなか読了できない。
今までの彼は、お延に対するごとに、苦手の感をどこかに起さずにいられた事がなかった。
女だと見下ろしながら、底気味の悪い思いをしなければならない場合が、日ごとに現前した。
それは彼女の直覚であるか、または直覚の活作用とも見傚される彼女の機略であるか、
あるいはそれ以外の或物であるか、たしかな解剖(は彼にもまだできていなかったが、何しろ
事実は事実に違いなかった。
こう言ってのけた漱石は凄いと思う。現代の作家には書けないかもしれない。特に女性を
味方につけようと腐心している作家には・・・。フェミの組織に全力でつぶされるレベルの危険度だか
ら。
明暗読了
なにが明で何が暗なのか。主人公と小林かもしれないし、まだ先にゆかなければ出てこない事柄なのかも
しれない。
主人公と清子の面会が成立したあとの事の成り行きは、情事または駆け落ちになる見込みは少なく、
もやもやしたまま東京に帰ってくるか、お延の不意打ち訪問に狼狽えるくらいだと推定される。
三者が顔を合わせることはなく直前に清子が帰る事になるが、お延に帰る途中を見られる。しかし清子の
存在をまだ知らないお延がこの出来事に気づくのはかなりあとの事である。
お延は新しい褞袍を用意して主人公を訪れる。久しぶりに華やいだ気持ちになるがそれとは対照的に
主人公の気持ちは陰鬱である。
妹のお秀もこの後何かしそうだし、小林も何かダメージを与えてきそうである。主人公はだんだん破滅の
道を歩んでいくのだろうか。
と、ざっとだが予想してみた。
Mission complete

オールディスクリート K405 J115 純コンプリメンタリーSEPPアンプが完成した。これ以上何を望むのか?
という感じだ。



筑摩世界文学体系 9 サンスクリット文学 シャクンタラー
4世紀頃カーリダーサの作。修行者の娘シャクンタラーのお話。王が一目惚れするほどの聖なる美女だ。
ヘレン、クレオパトラ、楊貴妃より上位に来るだろう。そうするとこれが美女文学の最高峰になるかもしれない。
夏目漱石 彼岸過迄 読了
漱石はキャッチコピーの名手と思う。簡潔にして印象的。俳句の素養が生かされているのだと思う。
この小説そのものはいくつかの(失敗した)新機軸とお決まりのテーマ、自身の体験に基づく細密描写
からなるやや冗長な作品に過ぎない。
お決まりのテーマとは、高等遊民、細君の選び方、友だちの彼女に対する異常な関心、都落ち、英国留学、
文明開化批判、下層民への無関心、美人への執着と生身の女性への拒否といつものがてんこ盛りだった。
映画 カラマーゾフの兄弟
「女が美人で男に宿命がなければ幸せになる。」この法則で見ると、男が宿命だらけのこの話の結末は
わかっている。しかも何重にも張り巡らされている宿命からは逃れようがない。キリスト教に帰依しても、
無神論で理論武装しても、善政を待ってみても、このあと猛威を振るうことになる宿命の前では無力となる。
物語中ただひとつ希望の光が垣間見えたが、それはロシアを捨て合衆国に移住することだ。
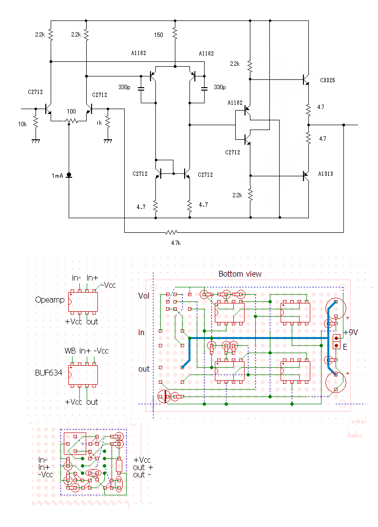
7石ヘッドホンアンプを魔改造する。ダイアモンドバッファの部分をいじればできるので楽だ。



この改造はとてもうまくいった。音があまりにもいいので5石MOSアンプと散歩中に聴き比べした。
きめの細かさはMOSと比べても遜色ない。音に柔らかさがあり音場感も優れている。MOSの方は
生々しさがあるが荒さもある。
夏目漱石 草枕 読了
温泉文学というジャンルになるかもしれない。書き方は独特で妄想をこねくり回しては現実が一歩
進むといった亀の歩みのようなものだ。文体が独特で美文調というか講釈師の口上のようであり品格が
無い。起こる現実は極めて平凡で作者の行動力の無さを表している。「それから」の冒頭部分もそういえば
こんなだった。
NHK FM 名曲のたのしみ
パーソナリティの吉田秀和氏が亡くなって早二ヶ月。とうとう生前の録音が尽きMCが番組プロデューサー
になった。半年後には原稿も尽きいよいよ何も無くなる。それまでUSB録音を続けておこう。後は貯まった音源
を少しずつ聴けばまだ生きていると錯覚することができるだろう。
映画 ハムレット
ある時点からハムレットが宿命一色に塗り替えられる。それはそれで壮観なものだ。余計なことをする
人間が現れて少しずつ筋書きが狂ってゆく。結局大きな黒い陰謀は失敗に終わる。
宿命から逃れようとすれば逃れられるとは思うが、周りが全部腐っていたならやはり終わりである。
(終わり)