2009年ポタアン革命
第一報
2009年6月X日
5.5V1Fの電気二重層コンデンサーをHA−2a ±1.5Vモデルに投入。
電気二重層コンデンサー
あっと驚く変化を確認。音が柔らかく明瞭で低域が豊か。悪いところはひとつも感じられない。
静特性は変わっていないはずなので過渡特性が激変したのだと推測。
第二報
2009年7月X日
5.5V1FのものをHA−3に投入。
新型ヘッドホンアンプHA−3
これも音が柔らかくなるという変化を確認。クラスが4段階くらいアップしているようだ。
第三報
2009年7月Y日
2.5V3Fの物をHA−2a mini premiumに投入。
HA−2aとともに
電源オフで1曲くらい流し終えてしまう。音も我が家のトップクラスに躍り出た。
これは本物なのか。我が家のポタアンは全部これを搭載することになるだろう。
第四報
2009年7月Z日
5.5V1Fの物をHA−2a K147/J72 ZDRに投入。

ボリューム式に昇進したしこれは名実ともに最高度のパフォーマンスを示す。
第五報
2009年7月XX日
3.5V0.22Fの物の音を確認。これはいけるのでSITヘッドホンアンプに搭載する道がひらけそうだ。

第六報
2009年7月YY日
5.5V1Fのものを4個2N3700SEPPに投入

これは考えうる最高の一歩手前というべきか。これもZDRも一聴でHA-3より上とわかるくらい良いのである。
第七報
2009年7月ZZ日
3.5V0.22Fの物を図のようにHA-2aオリジナルタイプに投入。これと第一報のものは
抵抗分圧でないダイレクトパワーサプライだ。

第八報
2009年7月XY日
3.5V0.22Fの物の音を図のように完全アンプD-NFBに投入。

これでひと段落か。
第九報
2009年7月XZ日
Fireye1に3.5V0.22Fを二個投入する。


抵抗は4.7kを二本用いた。電源オフ後30秒でLEDが消えることを確認すれば接続は正しい。
音は流麗で柔らかいほうに変化。低域は筋金いりになる。
E3、E5は無理なのであとはSITヘッドホンアンプを残すのみ。


こうかな。解は得られたようなものだ。あとは革命を実行に移すのみ。
革命前のひととき。まったりとオーディオについて語る。
今日はアートオブブラスウィーンの演奏を聴きながら書いている。DVP−FX720のアナログ出力
をHA−2000に入れてiPodのイヤホンで聴いている。思いもよらず到達した最高地点。
HA−2000さえ売っていればだれでもこの楽しみを享受できるのだが、それはかなうまいと思うので
ある。買うのではなくこのホームページでこつこつ勉強してK79が無くならないうちに作る他はないのは
明白だから。
最近SITヘッドホンアンプを聴きながら散歩していて音楽に魂をゆすぶられるくらいの体験をした。
1975年頃ジャズ喫茶でケルンお断りの張り紙が出たというケルンコンサートパート2cを聴いたときだ。
すでに聴きつくしたかのような曲だが今回初めて詳細に聴いたのだといえる。ピアノのうなりと次の音符
が重なって繋留音のように聴こえたり、激しいソロの右手が左手とつながったり、ユニゾンで盛り上げて
クライマックスに至り、最後に主題とともに静かに終わる・・・・編曲のプロが見ても舌を巻くであろう構成。
翌日某市販アンプで聴いて見るとBGMにしか聴こえなかった。まあちょっとデフォルメされているのだが、
情報量で2割減というところか。
過渡特性が劇的に改善された電気二重層コンデサーアンプ群にひけをとらないこのアンプはSITが
直線性とともに過渡特性も飛びぬけて優秀であることを示唆している。
音楽を感動とともに味わうには現場でまじかで聴くか、SIT素子のアンプで聴くしかないかも、という
関係者にとっていやーな結論を導いてしまったがほとんどの人が反対するこのような結論こそ次の時代を
拓くアイデアなのだ。
計画中のHA-2a mini premium limited

まだモックアップだが中身にはかなりいいものが入る予定。これは内部配線は手作りになるし
本当に量産が難しい。

バッファにはK147、J72 のコンプリペアを採用。J72はオーディオ用に開発されたFETで金田式で
も使われたので有名になっている。一方K147のほうは比較的集めやすかったが今では売っているところ
は見当たらない。
完成した。プレミアムな音だ。若い人にはこのような外観が受けるかもしれない。

LME49600の単体特性を調べる。

これを見ないと素性はわからない。



よく見慣れた特性だ。BUF634と比べると勝ててはいないかなというところ。

アイドリング電流
| ±4.5V | ±9V | |
| open | 6.0mA | 6.7mA |
| 100Ω | 11.2mA | 12.3mA |
| 0Ω | 11.7mA | 12.9mA |
アンプ基板

その前にこの回路を試してみる。
反転アンプのグランドが入力信号で振られているような回路だ。詳しくは検討していないが
D−NFBのようでもありヴァーチャルショートミックスという雰囲気がある。

Virtual short mix

実測特性

あとで検討した結果これは帰還率を減少させたボルテッジフォロアだろうということがわかった。
予定した回路ではノイズフロアが不安定になっている。この回路形式でははじめての発振。
発振したものを止めるよりは最初から発振しないものを採用したい。

回路

基板が出来上がった。
ゲイン 1
出力DCオフセット 負荷39Ω L 4.1mV、
R 6.2mV


ケースに入れて早速聴いているがとろけるような柔らかい音。BUF634とは全く対照的な音。
これも好みだ。
SITヘッドホンアンプ ポータブル2

一体化基板も成功した。実装密度からいうと革命アンプよりこっちのほうが凄いかも。
実測特性

このような特性になった。音は耳から音像までの距離が1.5cmくらいと思えるくらい近い。初代と比べより
ダイレクトな感じで鳴るが若干音が悪くなったようにも感じる。
HA−3の音が素晴らしいのは理想的なコンストラクションによるところがあると思うが、HA−4になって音質
が少し犠牲になっている。この場合もそうと考えられる。
±4.5Vの機器

HA-4 LME49600、 HA-4 BUF634、 HA-3 BUF634、 HA-2a ZDR
音の順に並べてみた。こうして聴いてみるとHA-2a
ZDRは凄い。このレベルの音が出せる機器は
この世にまだ存在していないだろう。HA-3 BUF634は有名ポタアンの音の延長線上にあるものだ。
と、妄想をふくらませてみる。
気合をいれてSITヘッドホンアンプをさらに二台作っておいた。どれも同じ音がする。


タカチのGH-135PGを用いてみた。ここまで作るのがわりと難しい。これにはかなり高価な
回路を入れる予定。
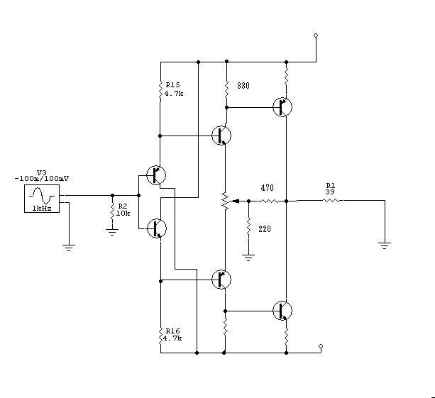
C3840とA1486

理由はわからないが直線素子だ。これを使ってもう一台の完全アンプを作る。詳細な組み立て図は
できている。
この素子が空を飛ぶ様子を空想して制作のためのモチベーションを高めよう。


これは変態ヘッドホンアンプかもしれないがこんな音世界があるのかと驚愕するのだ。小音量で宝石
のように鳴る。ただこの回路はオフセット調整に難があるので一般の人にはお勧めできない。(その後改良
した。)
最近の作品 手前が完全アンプ

C−MOYアンプ革命
革命前

革命後

NFBを30〜40dB減らしてなおSN比の悪化が少ない。私が考えた方法ではないが素晴らしい結果だ。
音的には47Ωがベスト。発振はしやすい。
C−Moy革命第1号機

ボリュームを入れるとノイズが激増するのでダミーとして入れてある。Zobel、セパレーターを
装備したが、4556、5532ではこの状態でも発振する。いまのところ聴けるのは4580のみ。
が、これが素晴らしい。オペアンプ本来の神音が聴ける。
ローリング可能なヘッドホンアンプが完成。

私自身はローリングにそれほど興味はない。ローリングによって若干音は変わるだろうが
本質的に音質を良くするにはバッファの直線性を改善してオールーオーバーのNFBを減らす
しかないことがわかっているからだ。

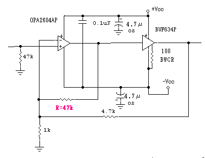
このように多重帰還にしてみた。
多重帰還前

多重帰還後

これは音も良い。成功かも。

音は47kのほうが上品かもしれない。終段の問題があるのでNFBを減らすのには限度があるのだろう。
R=47k多重帰還の状態でローリングを行ってみた。このアンプはBUF634が主要なキャラクターを
作っていると考えられる。また位相補正無しなのでNJM4580が有利かもしれない。
NJM4580DD → OPA2604AP → NJM5532
と聴いていってNJM4580DDに戻った。
まあこれはNJM4580DDがこのアンプに合っているとしか言いようがない。くせが少なくしっとりとしている。
アンプ本体が明るく堅めの音なので鮮烈な方向へ振るのはNGだ。
BUF634多重帰還(A)、電流帰還(B)、完全アンプ(C)を比べ聴きしてみた。
AとBの差は大差というほどのものはない。Bのほうが音色が清澄できれいかなというのはある。安定感
や力強さはAの方にある。音場感など本質的な良さはBに分があると思うが圧倒的な差はない。
Cはこうして聴いてみると音のきれいさが別物だ。スケールは小さいし電池はあっというまに無くなるが、
全くの別世界なのでしばし遊泳を楽しむことができる。A,Bの世界に戻れなくなるということはない。
The new standard

これだけのスペースがある。ここからああでもないこうでもないと考えるのが楽しいのだ。すぐ
作ってしまうのは折角の楽しみを減ずることになる。
第1号機 短めの基板に4556を仕込んでみた。




くせはあるが小気味の良い音だ。散歩のお供に連れてゆくのも楽しい。
第2号機

第3号機

これくらいまでなら簡単にできる。
第4号機 完全アンプ

なんとか収まったが、これが限度だろうか。電流帰還アンプはぎゅうぎゅう詰めにしても入らない。
第5号機 ZDR

これは聴いた人があっと驚くようなアンプになるだろう。
第6号機 6石ヘッドホンアンプ
前に考えておいたアンプ。これなら入る。


秋月のポタアンケース

とりあえずユニバーサル基板でできることがわかった。
最初LT1010バッファを使うつもりだったがテストするとこの電圧では性能がでないことが
判明した。それでBUF634に設計変更した。そのため基板アートワークが無理っぽくなってい
る。


基板アートワークは楽しいが脳内リソースを激しく消耗する。これをやったあとでは回路シミュレーターでは
刺激が乏しく感じられるほどだ。昔はシミュレーターで頭がパンクしそうなくらい変わった試みをしたものだ
が、もうその元気は無い。

片ch入ったところ。特性も採ったし音も確認したし。あとはこつこつと完成させるだけ。


こうやって据え置きで聴いているがプラケースにない音の良さがある。抜けが良すぎる。
あるいは1回路いりオペアンプの効果だろうか。

スイッチを搭載しポタアンとして姿を現す。音はハイパー四天王クラス。意外な結末だ。
文句なしで常用機にできる。
気になった音楽たち(FM編)
最近FMを聴いている。
アートブレイキー&ジャズメッセンジャーズ ウェインショーター作 サキーナのヴィジョン
より整ったマイルスの作品のようだ。マイルスも何度も聴いているうちに耳になじんで楽しく聴けるように
なるかもと昔は努力したものだが・・。今となってはこの作りでは無理だなと達観している。
アートブレイキー・・・、
Rudyさんが嫌っていたが何故だろう。ここでも達者なソロを聴かせている。
モンポー作曲 歌と踊り
ラベルでもないしなんか斬新な音楽。こういう音楽実は私が作っていた音楽とだいたい同じなのだ。その線で
どんどん進んでゆくことも考えたが、まあ無意味だろうと結論したのだった。
CDを買って聴いてみることにしよう。
ドヴォルザーク作曲 交響曲第9番
第二楽章が流れていたがどうも三文芝居のようなあざとさがある。こんなに立ち止まったり感傷的になった
りしていいのだろうか。指揮者は誰だろう。
第三楽章もこんなにはつらつとしていいのだろうか。
と疑問を抱きつつあとで調べてみたらバーンスタインの指揮だった。
ビートルズのデジタルリマスター盤が発売された。その音質の片鱗はイエローサブマリンなどで垣間見られて
いたものだ。
これは買わざるを得ないなと考えるがへそ曲がりなのでLPを買ってみた。
通販で選んで直輸入盤を二枚、ラバーソール、リヴォルバーを購入。
シルバーウィークに聴いてみた。
外観は旧来のものと区別がつかない。内袋が違う程度。音を比べてみると明らかに違っていた。とりあえず
二枚とも聴いてて満足感がある。
LPはもう少し買い足してお金が貯まったらCDセットも買っておこう。
夢の中でソニーの新型カセットプレーヤーを見た。透明なスケルトンボディでつのつのが生えている。
単3型リチウムイオン電池が2個と小型ガム型電池が8個が透けて見える。ずいぶん気合が入っている。
音もばっちりだ。
こういうのはいつ設計するのだろうか。おそらく部分ごとに見てゆくときに急遽できあがるのだと思うが、
瞬時にデザインしてしまうのだと思う。
見た → 見たけど設計中 → 見えた(設計完了)
こんな感じだろう。
完全アンプ2台と6石アンプを製作予定。

使っているうちに完全アンプは癒しのアンプであることが判明した。いらいらいらいらしているときに
これを聴きながら作業しているといつの間にかいらいらが半分になったことを最近経験した。聴いたこと
もないような美しい音に脳が反応したのだろう。
NJM4580 1K
と表示のあるアンプで聴いている。これはモニター用途にはOKだろう。音の端々に気に入らない
響きが加わるがモニターだと割り切ればよい。
一方電流帰還アンプだと透明感がありくせも極小で音楽鑑賞用アンプとして十分使えると思う。
ところがよく考えてみるとこのクラスのポタアンは市販されていないのだ。
ハイエンドといわれているSR-71Aは残念ながらオペアンプとバッファICを使ったものだ。このタイプ
のアンプを自作したものを聴いた感じだと余韻は良く出て高級感はあるが、少し固い感じがするので
これが癖なのだろう。
基板萌え

この段階まで組んだら徹底的に検査する。いやこの場合テッテ的という方が正しい文法かもし
れない。合格するまでは先に進めない。
フルトウェングラー交響曲第3番(私はロシアが好き)を一週間かけて聴いている。
64分ほどの長大な曲だが諧謔はほとんどなく大学教授が書いたような端正な音楽だ。聴いていると
ドイツ音楽のようなフランス音楽のような、主にブラームスが入っていると思うが重厚な音楽だ。
いよいよ第4楽章に入る。本当に言いたいことは第4楽章であってそれまでは前置きなのだ。ただ
前置きの第一楽章に傑作が書けてしまうことも多々ある。
第4楽章はロシア風のリズムに乗りながらチャイコフスキーとストラビンスキーのイディオムが次々に
出てくる。本当は私はロシアが好きと言っているようなものだ。さぞかしドイツの聴衆はがっかりしたこと
だろう。
12月は音楽を聴いたり正月を過ごすための買い物をしたりしようと思う。必死で先へ進もうと思わない
ことだ。
休日、音楽を聴こうと思ってPRA2000の歪率を測定する。始業点検のようなものだ。いつのまにか回復
していて12Vrmsまでほぼ無歪であることがわかった。これで安心して聴ける。
ボーカルはB3+オデット、交響曲はHMA9500II+FE203BKで聴いた。イヤホンで聴けた音世界が
ラウドスピーカーでも再現される。非凡なシステムだと思う。
基板萌え。メタルカンは萌える。





現在製作中のポタアン。すごいことになっているが決して遮二無二やっているわけではない。
9がいままでのLED位置だったが互換性を考えてこれからは8のようになる。
シューベルトの交響曲全集を車に装備してはじめから聴いている。4番まではなんと言うことも無い、
演奏会にかけられることもあるのかな?前菜としてならあり?という印象。
5番は全編モーツアルトが顔を出している。シューベルトがモーツアルトになりきっているのだろう。
シューベルトのほうがクロマティックな処理は上手い。
どれがどこに似ているなど誰かの研究結果があるのだろうか。三連符で降りてくるところはピアノ協奏曲
でよくあるやつである。
第6番の第3楽章は聴いていてもろにベートーベンの焼き直しであることがわかる。こういうときはiPodで
調べるのが便利である。第7番の第3楽章だということが確認できる。
第7番が未完成交響曲で第8番が"The
Great(大きいほうのハ長調交響曲)"だ。
今回8番を初めて聴いたが、古典でありながらビゼーやワーグナーを先取りしたような作品となっている
ように思う。
(終わり)