2014年の音楽生活5
初夏を告げる沙羅の花

山田太一 沿線地図
志郎が幸福という言葉を口にする場面がいくつかある。第一話で母親に向かってお母さん幸福?というが母親は
笑って終わりだった。第5話で父親としゃぶしゃぶを食べながら会話するが、安定な道を歩むのは生き方として幸福
じゃないと力説する。父親は大した反論もできず一生というものはおまえが高を括るほど簡単なもんじゃないと返す。
このドラマの凄いところは冒頭に幸福とは何か?の答えが仕込んであるところだ。この2つの家族の母親がどちらも
超絶美人だった。放映当時に見た時はいい配役だとしか思わなかったが、ここに志郎たちに対する強烈なメッセージが
込められている。
長い人生、どういう人と一緒にいるかが重要で、その人を幸せにできるかどうかは自分の健康と経済力にかかって
いる(クインシー・ジョーンズもそう言っている)。そうすれば自ずから志郎たちの選ぶ道は幸せから外れてゆくだろうな
ということがわかるのである。
つまり志郎も道子も両親が幸福ではないと考えたが父親は幸福であり母親も満更でもないというのが真実と思う。

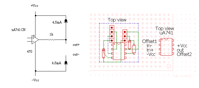
この新しいプラットフォームにはいくつか違ったアンプを載せることができる。
負性インピーダンスアンプの例



一応これでも動作するはず。発振が止められなかったらこれにする。
山田太一 沿線地図
第9話で祖父が二人を訪ね、今まで誰も言えなかったど真ん中の正論をぶつける。その正論を志郎はひょいひょい
すり抜けた。台所に立つこの時の道子の夜叉の様な後ろ姿が印象的だ。志郎の父親も志郎の言い分を認めたし、これで
この勝負は決着がついたのである。考えを変えさせることはできなかった。もうある種の洗脳に近い様相を見せる。洗脳が
解けないなら物理的にと考えても、二人は自立したのだからどうすることもできない。
その後銀行員の妻はアル中になってゆき、電気店の夫を誘惑し一夜をともにする。これにはドン引きした。二人は後悔し
秘密を守ろうとするが綻びが生じてくる。道子も妊娠してしまう。
第14話ではすべてをぶちまけて大混乱に陥った当事者4人が一堂に会するが、その時祖父の自殺の報がはいる。
このようなクライマックスを演出して次週の最終話に続く。
最終話では理由は不明ながら祖父の覚悟の自殺の顛末が明かされ、道子も自分から中絶する。結局どうってことは無
かった。皆それぞれこれまでどおりの生活に戻り、たまに集まって食事をするという意地を張らない関係になってゆく。
まとめ
この二人の高校生は自分たちだけの判断で家を飛び出し、時給500円の世界に飛び込んで行った。これで家賃と生活費
をまかなうことになるので、学校にも行けず、子供も育てられない。親がいなくなったわけでも無く、勘当されたわけでもなく自由
意思でそうしたのである。
この一点の曇りもないすがすがしい生き方をみんなもやろうよ!と誘導するドラマのような体裁ではあるが、否定的な意見
も十分出しているので判断は視聴者にまかせるというスタンスなのだろう。
このドラマの放映後高校中退者が続出したというニュースもなかったので社会への影響は軽微だったかもしれないが、
潜在意識への刷りこみから大学まで行ってドロップアウトしてみようとする人が増えた可能性はある。そのほうが安全では
あるし時間も余裕もあるからだ。
映画 17歳のカルテ
ハイスクールの女子学生が精神的に不安定になり、教師と不倫関係をもち自殺未遂を起こす。救急病院に運ばれるが
周囲に反抗的な態度を取る。治療の必要性を感じた親によって有名なクレイモア精神病院に入院させられる。けれどライター
を目指していた主人公はこの事をいい機会と思っていたフシが有る。
入院中次々と事件が起こるが、どこかしらきれい事のようで本当の修羅場には程遠いものだ。主人公には境界性パーソナ
リティ障害の診断が下されるが、患者仲間のことを精神分析的にノートに記述したりしてまるで精神科医きどりだ。患者同士で
本音をぶつけ合うところではシェークスピアのような用意周到なセリフがでてくるのである。
ドキュメンタリーと言うより自己弁護色の強い創作であると思えた。
新しいポータブル電源


タカチKC-5-8-14BSのケースに3A±15VのACアダプター(15V3A LTE(GFP)451DA−1530)を
入れた。音はクールで透明しかもパワフル。とても気に入った。ただ電源オン時のポップ音がとても大きい
のが欠点だ。スピーカーを外してからオンにしている。
バルザック ざくろ屋敷
ざくろ屋敷はトゥール近郊の丘陵に建つ古めかしい別荘である。バルザックによる詳細な描写が文庫本5ページほど
続いてから物語が始まる。庭園や果樹園は立派なようだが家屋はイメージが湧きにくい。実物の写真かスケッチが無いか
調べたら画ニメのDVDがあることがわかった。とりよせて確認しておいた。
この屋敷に二人の息子と家政婦を連れてやってきたヴィレムセンス夫人がある日泣きながら息子に言った言葉。
「ルイ、なぜならね誰からも助けを借りないで偉くなったジャムレー・デュヴァルの貧しい初めの運命は、お前とマリーに
私がつくった運命ですもの。もうじきあなた方は、そばから支えてくれる人もなければ、うしろだてになってくれる人もない
ままに、この世でひとりぼっちになってしまうでしょう。」
ルイは母の言葉を理解して、母の死去後弟を中学に入れ自分は見習い水兵になる決心をする。母には自分は見習い
水兵から海軍少佐になり、弟を理工科大学に進ませると話す。このとき苦しみにうち沈んでいた母の顔がぱっと輝いたの
である。
伯爵夫人の不倫自体はよくあるもののようだが、ブランドン伯爵は許さなかったという実話の結末にあたる物語だ。
映画 魚影の群れ
夏目雅子にまつわる制作裏話を見たことがあるので本編を今回観た。確かに夏目雅子のテンションは高く、方言も流暢
だったが映画そのものは可もなく不可もなしという印象だ。事実から題材を選ぶときは「事実だが詩的なものを」というのが
バルザックの流儀だがこのマグロ漁師の話は普通すぎるのである。
贅沢なスタッフで制作された映画だが実写にするのが難しい部分があり中途半端な演出だなと思った。
映画 マイレージ、マイライフ
全米各地の企業を廻り、リストラ面談を行うプロフェッショナルの役がジョージ・クルーニーだ。作り話だと思うが
これだけでもう詩的な感じがする。飛行機を使って出張するのでどんどんマイルが貯まる。1000万マイルの7人目の
達成者になるのがこの男の夢である。そのため家には何も置かず家族も持たないでいる。同じ部類の行動をしている
謎の美女やクルーニーをリストラするために研修している新人社員が現れ色どりを添える。やはりクルーニーはモテモテ
だった。哲学を含め参考にできるところは無い。
映画 カッコーの巣の上で 原題 One flew
over the Cukoo's nest
主人公のジャック・ニコルソンが精神病院で俺様ぶりを発揮する。実は主人公には詐病の疑いがあり病院側は彼を
中に置いて観察していたのだ。病院の雰囲気が社会主義国家のそれのように描かれているが、徹底的に人権を踏み
にじるようなことはない。ニコルソンは患者仲間を連れ出してクルージングしたり、夜中にパーティーをしたり問題行動を起
こすのだが明らかに精神異常者のそれとは違う。病院側も薄々気がついていたが、使命感に燃えた看護師長の提言で
最後まで面倒を見ることになる。それは一生閉じ込めておくという意味に取れる。
この辺がこの映画の難解で分かりにくい部分だ。このために標題のような悲劇が起こったのである。上層部の意思決定
のミスにより死ななくてもいい人が死んでしまったという話だ。まあ底にあるのはベトナム戦争批判だろう。
映画 コンクリート
この映画についてはあまりいい評判を聞かないが、前半部分はよく出来ていると思う。切れがよくテンポがいいし展開に
必然性もある。不良はつるむし、しつこいというのがよく描けている。その中にサイコパスが一人いればこういうことはいつでも
起こり得る。
教訓としてはつるまずに一人で歩むことと、サイコパスからすぐ逃げるようにすることだ。
映画 天使の贈り物
下町の教会を営む牧師夫婦の物語。経営難や夫婦関係の悪化を救うべく神様が天使を派遣してきた。ジャズからゴスペル
までに渡る音楽の圧倒的なクオリティの高さが主題のようだ。ホイットニー・ヒューストンが神技の様なボーカルを披露する。
演奏も素晴らしいし、なんだかヤマハDX7のような音もところどころに聴こえた。
ストーリーは心温まるホームドラマのようで、皮肉に満ちたいやらしい脚本ではなかったのが良い。
映画 帰郷
ベトナム帰還兵の姿を描くナチュラルな感じの映画だ。出てくる音楽が中学、高校時代に聴いていたのともろに重なっている
のでちょっとびっくりした。根底にあるのがベトナム戦争が意味のある戦争だったのかという問いかけなのだが、当事者および
巻き込まれた人それぞれにいろんな考えがあるだろう。結論ありきではなさそうだ。
こういうのは国が仕掛けてくる宿命なので網にかかった場合の対処が難しい。流れに乗って幸運に恵まれるというのが理想
なのだが。
アルボムッレ・スマナサーラ著 ひとりで生きるということ
これは今流行している「スッタニパーダ」の解説のような本なのだが、書いてあることが凄い。
国連は、世界の国々がお互いに仲良くなり、戦争を起こさないようにするためつくられた組織ではありません。第二次世界大戦の
戦勝国が、その権利を今後もずうっと守り続けるためにつくったのです。ですから、本当は国連など必要ないのです。得をするのは
、いつでも常任理事国だけですから。
この論調はよく聞くそれである。
意外かもしれませんが、宗教もまた、怒り・恨み・欲といった感情でつながった組織です。まあ、はっきり言えば、その原動力は
「他人を差別したい」という感情です。「私たちは正しい神様を信仰しているのだ」というわけです。そして、差別意識が強いほど
仲間意識が強くなり、強固な組織となります。
宗教家がこのような発言をするとは。毒というか皮肉が効いている。
他人の意見を聞く、オープン・マインドな部分があるのなら、人生を改善してゆける可能性もあるのです。もしも心の窓を閉じて
しまうと、その先の人生は大変危険なものとなります。やがて、社会から孤立し、反社会的な妄想を延々と回転させてしまうかも
しれない。その先になるのは、犯罪などの大事件だけでしょう。
犯罪の成立過程をよく分析している。
映画 ハンサム☆スーツ
幸福の条件に男の容姿は入っていないので、これは幸福論からするとナンセンスな話になる。実際に或る程度努力した
上で谷原章介の容姿を持っていたら、かえって仕事に差し支えると思う。
この映画ではブサメンの男が容姿さえよければすべてが解決すると夢想するが、中身が空っぽではやはりどうにもなら
なくなるという現実がある。そのことに警鐘を鳴らすというストーリーではなく、ブサメンでもいいという美人が突然現れると
いう都合のいい話だった。
映画 男はつらいよ
この第一作から全部マドンナに片思いする寅さんが最後に振られるという主題の映画だが、大抵はマドンナにふさわしい
エリート青年が現れてさらってゆくのである。
ところが第一作では零細印刷工場で働くひろしが美人のさくらにプロポーズして二人が結婚する話が出てくる。この部分を
拡大して見ると、沿線地図の志郎と道子とほぼ同じになる。貧しいけれど幸せそうだ。
エリートになってマドンナと結婚するという道と、貧しいけれど好きな人と結婚するという道が対比されていて幸福度は
どちらも全くひけを取らないように見える。この映画を見た人はみなそう思うだろう。
沿線地図はこの幻想を打破した最初のホームドラマだ。
SIT SEPP出力段 ヘッドホンアンプ(2012年版)

単四型リチウムイオン二次電池6本で運用するのは管理が大変なうえばらつきがあるため電池がすぐ終わってしまう。
大容量の006P型1個とDC−DCコンバーターで賄うのがやっぱりいい。このような小改造を加えた。

映画 ランド・オブ・ウーマン
一人暮らしの祖母の世話を買って出てミシガン州の田舎町に向かう主人公。そこで執筆活動をすれば気分転換になると考え
たのだ。美人女優の彼女に振られたことも理由の一つになっている。
そこはとてもきれいな住宅街で、主人公の青年は向かいの家族と仲良くなるのだが、美人の人妻や娘に悩みを打ち明けられたり、
キスをさせられたり、挙句の果ては面倒にも巻き込まれる。
これはあまりうれしくないし、なぜそんなにもてるのかという疑問も生じるが、単に女難の相がでていただけなのかもしれない。
映画 インベージョン
道具立てが大仰な割りにはB級臭のする映画だ。いやがる主演のニコール・キッドマンにゲロをぶっかけて「終わった。」
と呟く感染者のシーンがユニーク。他は二番煎じのアイデアと展開だと思う。
映画 夏の終わり
これを見る限りごく普通の男女の営みが綴られているだけで謂われている程スキャンダラスな話ではない。ただ主人公の
女の男のチョイスには独特のセンスがある。修羅場も登場するが深い闇を見た感じもしない。本人が書いた小説であるからして
美化も多分にあるのだろう。演出に関して言えば昭和30年代にスチール製のガスコンロがあったのか、どぶろくがあったのか
疑問に感じる。背景の人々の動きに存在感がないのはどうなのか、フィルムで撮らなくていいのかなど検討の余地がある。音楽は
ジム・オルークが起用されていた。
映画 ジャック・メスリーヌ
銀行強盗を生業とし脱獄を繰り返した男の実話を元にした映画。フランスならではの過激だけど屈折したところのない
トーンがある。似たような実話映画にボニーアンドクライド、Tatooありがあるがそれぞれ屈折しており出口のなさを感じた
がこれだけは真理まで到達している観がある。
貴族は大昔の泥棒、資本家は今の泥棒、泥棒はそいつらから取り返してるだけという考えがヨーロッパには元々有るの
かもしれない。
ジャック・メスリーヌは大金を得ていい酒を飲み、極上の女を抱き、BMWのディーラーで528iを現金で買うのである。
資本家に搾取される生き方ではそれらを指を咥えて見ているだけなのだ。

(つづく)