回路の錬金術パート2
長年の研究の結果とうとうMOS-FETからV-FETをつくる方法を見出した。V-FETはトレジュアFETといわれ、
その道のものが捜し求めているが、なかなか現物にはお目にかかれないしろものである。
思えば苦難の連続であった。抵抗2本でできやしないかと思いカーブトレーサーで実験するが思うようなデータ
は得られない。PG帰還も検討したが、インピーダンスが低くなりすぎる。ゲイン1ではどうしようもない。
バイポーラトランジスタなら腐るほどあるのに、なんでパワーV−FETが手に入らないのか。そういう想いから
生み出されたのが、
Toshiba A1941 becomes V-FET
という方法である。入手可能な中信号V-FETを用いている。
今回MOS-FETとの組み合わせで同等の結果を得る方法を考案した。
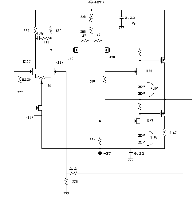
これがその原理
12AX7を中信号V−FETにみたててある。


これはPch MOS−FETを使っているので、いわゆるPG帰還とは違う方法である。一言で言えば、MOS−FET
のゲートソース間を準電流ドライブしているということになる。電流ドライブすればよく知られているように電流出力になる
わけである。
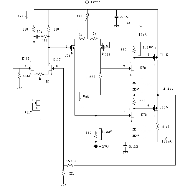
Rgs=300Ωにして特性を調べてみた。

十分な特性である。gm=20Sに達している。A級シングルアンプならばアンプはもう完成していると言える。
SEPPアンプはできるかどうかまだわからない。

なるほど見れば見るほど不思議な回路である。完全対称アンプをわざわざインバーティッド
ダーリントンで構成し、ドライバーにV-FETを用いる・・・。そう簡単に思いつくものではないだろう。
と思ったら、すでにシミュレーションノート#49で考えていた。
V-FETアンプをシミュレートする
これはV−FETアンプの動作・結線確認のために行ったらしい。
どう考えてもここへ行き着いてしまうようだ。
この方式ではバイアスの与え方が3種類あるが、もっとも簡便なのがこの方法である。
A級シングルアンプ
こちらはこのままで動作しそうである。

SEPPの方を作ってみようと思う。長年の疑問に決着がつくかもしれない。
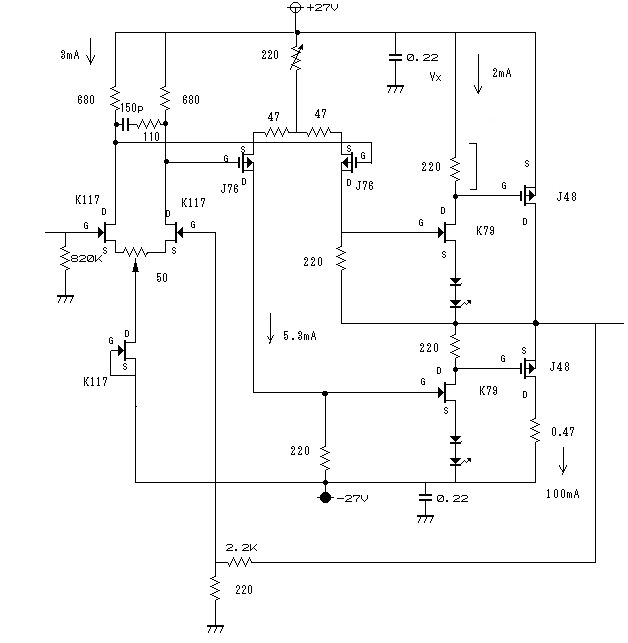
作ってみた。一年以上経過したが。



音はV−FETといって良いような音がしている。二次歪が出放題だが選別すれば何とかなりそう。
素子を選別しパーツを交換する日々が続いた。
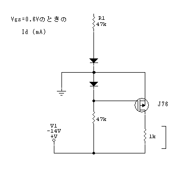
J76の選別

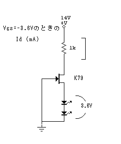
K79の選別

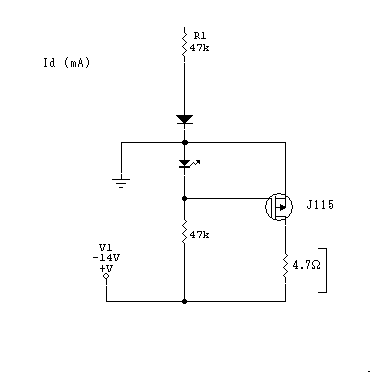
J115の選別

結果

見事に直線になったが、特性はそんなには変わらない。音も同じだがMOSとは思えないほどの抜けのよさがある。
音質はTA4650とJ18完全対称の中間くらいに位置する(のではないか?)。
最後にちょっとどんでん返しがあったがこれで長年の疑問は解けた。

本命のJ48を組み込む。こうして聴きくらべるとJ48のほうが求めている音に近いことがわかる。J115は余計な音が
多く、パサパサした感じがする。

これが完成したスケルトン5。期待にたがわずいい味をだしている。

MOSからMOSくささを取り除けばVになるという仮説がだいたいにおいて成り立っていることを示す実証機である。
実験に必要な部品。いまなら大枚をはたかなくても入手できる。
