空氣忍者

前回のモニターの改良版です。
FOSTEX FF85K


箱の設計


アンプ部
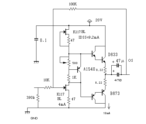
ヒアリングで増幅一段反転アンプに決定しました。

定電流を上下に重ねていますから、いきなり完全アンプのファイナルが
来たようなものです。それにSP駆動用バッファを付加した構成で、帰還路
については反転式で解決しています。
出力電位が電源電圧の半分のところに来ますから、電源は部品の耐圧の
許す限り何Vでもよく、電源の注入路はきわめてハイインピーダンスなので、
そこらへんの電源アダプターを使用してもハムは皆無です。

電源電圧20V時

frequency response

赤い線を見ると電源ハムの少なさがわかります。

バイアス電圧をつくるA1540とパワートランジスタ間の熱結合が必要です。
現在FE83に換装中

音は何から何まで軽くまるで空気でできたスピーカーのようです。なおかつ
アタック音はばしっときまります。
目次に戻る