完全アンプクラシック
これはお遊びに過ぎませんが、ゲルマニウムトランジスタ
が手に入ったのでパワーアンプを製作してみようと思います。

オールゲルマニウムにするのか、FETで作るのかはまだ検討中
です。
まず一定のバイアス電流で動作させてみて安定度はどうか調べ
ます。これで安定なら完全アンプ方式で組むことができますが、その
場合hFEのコレクタ電流依存性が良いことがいい音の条件になります。
シリコントランジスタでもNPNのものは失格のものがあるので、その
あたりが心配です。
電圧駆動してサーミスタで制御するというのは一番やりたくない方法
です。
基本的なデータについては以下のところで調べてあります。
ゲルマ研究事始
結局安定度ではFETの差動アンプが一番でしょう。
完全アンプのパラダイム
1 電圧で制御された±の定電流回路の出力をつなげる。
2 出力点から負荷へ電流を出力し、負荷に発生する電圧
でフィードバック制御する。
3 したがって定電流回路が安定であれば、すでにアンプは
完成している。しかも帰還アンプでありながら発振しにくい。
4 電圧制御定電流回路の本質はgmで表されるが、gmの
電流に対する非直線性はNFBによって直線化される。
5 電流演算性はNFBをかけた時点ですでにくずれている。
つまり入力電圧と負荷に流れる電流は比例しない。
6 本質的に電圧−電圧変換なるものは存在しない。ふつうの
アンプも出力バッファを介して電圧増幅段の電流を制御
しているのである。
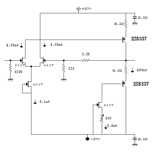
というわけで本機シャーシに実装した−側定電流回路が300mA
にピタッとはりついたまま安定したのを見て、私はアンプの完成を
確信しました。

出力オフセットは0.03Vで安定しほとんど変動しません。アイドリング電流
はきわめて緩徐にあがって行くようですが、この設定での上限は450mAの
ようです。

このような急峻なカーブは初めて見ました。天然アンプといって良い
でしょう。


音は最初からあまり期待しないようにしていましたが、
予想通りあまりたいしたことはありませんでした。
目次に戻る