ユーロ製ユニット2ウェイ
Seas、Dynaudio、Scanspeakのユニットは知る人ぞ知る海外のハイエンド
スピーカーに使われているユニットです。その音を一度体験すると、ある種の
カルチャーショックを受けるとも言われています。箱の自作がかなりの難題で
すが、挑戦してみました。
製作メモ
1 ステレオ1998年7月号を入手。
2 入江順一郎氏作の箱だけそのままコピーする。12mmシナ合板と
18mm米松集成材(バッフル用)が必要。約10リットルの箱
だが、記事とは違い密閉とする。合板の木口部は板の段階で2mm厚
桧板をはって、かんなで仕上げておく。
3 トリマーなどを用いてツイーター部とウーハー部にザグリをいれる。
(トリマーは騒音大なのでベランダでは使えません。)
4 箱ができたらきれいにサンダーをかけて、内部は木彫オイル含浸、外は
カシュー3回ぬりとする。
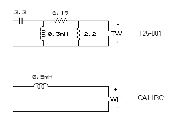
5 ネットワークはフォステクスのuΣ、空芯コイル、セメント抵抗を用い
、調整が済むまでは外付けとする。(すでに今では内蔵)

6 ユニットはノルウェーSEAS社のユニットを使用。ユニット費用4万
円弱。
7 ユニットはパッキンなしで、バッフルに強固にしめつけ、吸音材はミク
ロンウールを天板側に少量いれる。
(1998年8月製作)

実測特性

バックグラウンド(ピンク)のノイズのため低域は不明確。
目次に戻る