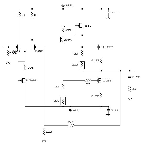
UHC−MOSシングルアンプ
日立のK1298は、デンオンのアンプに使われている石、K1297のフ
ルモールドタイプの石です。これをペアとりすれば、金田式アンプが作れるの
ですが、選別が難しそうなので、シングルアンプを設計してみました。
(1998年4月製作)




敢えてUHC−MOSにこだわる

V−FETは結局MOS−FETに性能、音とも超えられてしまった素子
であるというのが私の考えです。MOS−FETはV−FETと周波数特性は
同等でgmが2〜4倍と、終段素子の要件をよく満たしています。その代表
といえるのが日立の2SK135で製造中止になって久しいわけですが、
金田式アンプも終段UHC−MOSFETに収束しつつあり、ようやくメタル
キャンMOSであるK135に代わる素子が得られたと言えます。
UHC−MOSは従来のMOSと比べて、gmは数十倍、電流もそのくらい
流すことができ、音楽の表現力も優秀です。
このUHC−MOSを使ってシングルアンプをつくるというのが私のコンセ
プトであり、そうすることによってクロスオーバー歪みの心配が少なくなり、
バッファをいれないことにより、電流演算性が優れ、オーバーシュートしにくく
なるという利点が生じます。
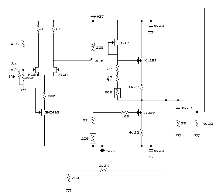
今回UHC−MOSアンプを常用アンプとするべく、改良を加えることにしま
した。
1 新しいコンパクトな筐体
2 アイドリング電流をふやす
3 電流正帰還による負性インピーダンス化

サーミスタはK1289と熱結合する。
終段定電流回路のゲートにカットアンドトライで抵抗を追加し、その都度DCバランスを
とります。このとき希望のアイドリング電流が得られればそこでおしまいにします。
今回は2、22、47Ωと増やしてゆきアイドリングが300mAくらいになるところで決定
しました。サーミスタが冷たいときにかなり流れるので、あまり欲張らないようにするのが
賢明です。
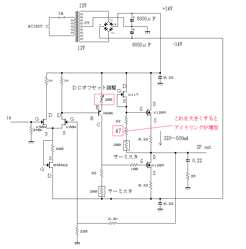
測定コーナー
アイドリング電流320mA
定格出力 0.3W (負荷8Ω)

こんなに悪い特性のアンプは見たことがありません。音は?これまでの
物とは次元が違います。
(2001年5月31日)


±14V電源

トランス SP−153W 0−12−15V X2 3A
A級アンプ用です。これによりA級アンプのアイドリングを大きくすることができます。
