自作事始め
トランジスタにバイアスをかける
トランジスタを動作させるためには、(つまり電流を流すためには)
バイアス電圧をかける必要があります。

このように、コレクタ、エミッタ間に12Vの電圧をかけただけでは、
電流は流れません。ところが、ベースにある程度の電圧をかける
と、コレクタ、エミッタ間に電流が流れます。トランジスタの場合は
正のバイアス電圧が必要で、0.6V以上かけなければなりません。
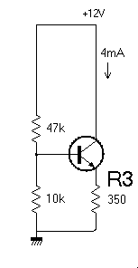
目標:コレクタ、エミッタ間に4mAの電流を流す
まず、12Vを抵抗で分圧して、2Vをつくります。

R1:R2の比を5:1とすればオームの法則により、2Vの電圧がつくれます。

ベースに2Vの電圧をかけると、コレクタ、エミッタが導通して電流
が流れ、ベース、エミッタ間に一定の電圧0.6Vが生じます。このVbe
は、つねに一定の性質があるので、エミッタに現われる電圧は1.4Vとな
り、4mA流すには、
1.4=0.004*R3
となって、R3=350Ωと求められます。
これが、最も簡単な4mAの定電流回路です。
目次に戻る